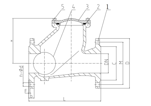
1. The valve body is precision cast using QT450-10 material that is better than the national standard. The tensile strength is 450Mpa, the elongation rate is greater than 10%, and it is not easy to crack or freeze. The spheroidization rate is above level 3, fully in line with the mechanical properties of QT450.
2. The inside and outside of the valve body are electrostatically coated with powder epoxy resin, and the spray thickness reaches 250μm, which effectively prevents corrosion and rust caused by contact between the valve body and the medium, and has a beautiful appearance.
3. The rubber flap is made of steel plate, steel rod and reinforced nylon cloth as the backing, and the outer layer is covered with rubber. It is designed with a full flow area and is not easy to accumulate debris.
4. Every valve leaves the factory with double-layer pressure testing of shell and seal in accordance with national standards.
5. Quality inspection at every level from rough to finished product packaging and delivery.
6. Pango brand product quality is covered by China Pacific Insurance with two million dollars. Two years warranty, pay two back if one bad within two years. Any quality problems of the product itself, we will pay without conditions.







